一、概述
DDSYF6607单相电子式远程预付费电能表(以下简称“仪表”)是根据居民实际用电状况所设计、制造。它具有较高的准确度和可靠性。
本仪表采用先进的电能计量专用芯片,与成熟的复费率、预付费技术相结合设计而成,应用16位数字采样处理技术及SMT工艺制造的高新技术产品。关键元器件选用国际知名品牌的长寿命器件,提高了产品的可靠性和使用寿命,数据显示采用大屏幕液晶,便于抄表。
该仪表能实现分时计量预付费,设定日抄表,掌上电脑编程及抄表等功能;可设置2个时区,4种费率,12个日时段;并具有红外和485通讯功能,可实现远距离抄表,通信规约可支持DL/T 645-2007《多功能电能表通信规约》,为用电自动化管理提供了必备的条件。
其性能指标符合GB/T 17215.321-2008《1级和2级静止式交流有功电度表》中对电子式有功电度表的技术要求,符合GB/T15284-2002《多费率电能表 特殊要求》对复费率电能表的技术要求,并符合GB/T18460-2001《IC卡预付费售电系统》的各项技术要求。
二、主要功能
远程预付费电能表具有以下基本功能:
2.1 分时有功正、反向电能计量,可分为4种费率、12个时段、2个时区。
2.2 带阶梯功能,最可设4个阶梯,每个阶梯的电量和电价可分别设定。
2.3 可通过掌上电脑进行红外通讯、完成编程设置和抄表。
2.4 可实现参数轮显,轮显的参数(不超过32项)和时间间隔可预先设置,参数轮显的顺序也可任意设定。
2.5 带光耦隔离有功无源脉冲输出接口,脉冲常数和电表常数相同。
2.6 记录12个月的有功总电量和分时电量,并可通过红外或485方式抄表。
2.7 具有编程禁止功能和数据清零功能。
2.8 支持部规约的缩位抄表。
2.9 具有先购电后用电,并在指定抄表日自动冻结每月的各费率用电量。
2.10可使用IC卡进行参数设置和抄表。
2.11采用一表一卡方式,IC卡内数据多重校验和加密,安全可靠。
2.12 每次购电能通过电卡进行双向传递数据。
2.13 能设置非工作营业时段和应急赊欠限量。
2.14 在额定电流范围内能限制最大使用功率(由供电部门限定)。
2.15 具有外接报警输出接口。
3.16 具有内置声、光报警、跳闸断电功能
a.当超负荷时,通过报警跳闸是否允许选择可以控制报警和跳闸信号输出。
b.当剩余电量小于或等于报警设定值,通过报警、跳闸是否允许选择电表可以控制报警和跳闸信号输出与否。
c.当剩余电量等于零,电表输出跳闸信号。
3.15 具有远程抄表、远程拉合闸及远程售电功能。
三、工作原理
电能表工作时,电压、电流经取样电路分别取样后,由电能处理专用集成电路经乘法运算后,送到CPU进行处理,最后,CPU将处理过的数据根据需要送至显示部分、通讯部分等输出设备。
由计算机管理信息系统,通过IC卡读写器,写入一定电量和监控要求的IC卡输入表内微处理器系统,经CPU运算后,提供显示、报警、切断状态信号。
该仪表工作原理如图1所示。
四、技术指标
4.1准确度等级 有功1.0 2.0 级
4.2参比电压 220V
4.3额定电流 1.5(6)A、2.5(10)、5(20)A、10(40)A、15(60)A、20(80)A
4.4额定频率 50Hz
4.5起动电流1级:≤0.004In
2级:≤0.005In
4.6潜动 具有防潜动逻辑设计
4.7外型尺寸 168mm×110mm×61mm
4.8重量 约1 kg
4.9电气参数
正常工作电压
0.9Un~1.1Un
极限工作电压
0.75Un~1.15Un
电压线路功耗
≤2W和5VA
电流线路功耗
<1VA
数据备份电池电压
3.0VDC
4.10费率工作参数
时钟准确度(日误差)
≤0.5S (23℃)
电池容量
≥1000mAh
停电后数据保存时间
≥10年(用新电池)
4.11气候条件
正常工作温度
-20℃~+50℃
极限工作温度
-30℃~+60℃
存贮和运输温度
-40℃~+70℃
存储和工作湿度
≤85%
4.12技术参数
费率数
4
时段数
12
时区数
2
计度范围
0~999999.99 kWh
显 示
液晶(LCD)
通讯波特率
RS485:1200bps~9600 bps、红外口:1200bps
通讯规约
《DL/T645-2007多功能电能表通信规约》
五、显示符号说明
全屏显示效果图
具体各显示项参见《附录3:功能附录表》
六、电表图
图电表实物
图指示灯说明
七、编程说明
7.01 编程允许。由授权人打开电能表编程开关按钮(通过IC卡传送信号完成),LCD显示屏编程符号,电能表即处于编程状态,此时可用掌上电脑与电能表通讯完成编程设置。
7.02 数据清零。如电能表处于清零允许状态,用清零卡完成电表内部电量数据、历史记录数据全部清零。
7.03 编程禁止。当电能表编程完毕后(通过IC卡传送信号完成),按一下编程开关按钮,LCD显示屏编程符号消失,此时电能表处于编程禁止状态,电能表的内部参数只能被读出,而不能被修改。只能对在规定误差之内的电表进行校时。
注:为防止编程开关打开后忘记关闭,被非授权人操作,表内特别设置10分钟准许编程时间,当时间超过时,电表即自动编程禁止。
7.04 表号、出厂编号:掌上电脑与电能表通讯的识别号。在抄表或设表时,必须输入电能表的表号或出厂编号,掌上电脑才能和电能表正常通讯。表号也可以在用户开户配表分配通过购电卡传递。出厂编号在电表出厂时分配,印刷在电表铭牌上。
7.05 轮显时间:轮显时每一项数据的显示时间,缺省轮显时间为4秒。
7.06 轮显内容编码:用户根据需要编设的轮显内容的编码,详见附录3。
7.07 自动抄表日期及时间:可编程设定抄表日期及时间。如该项编为28 00,则电表将于每月的28日的0时自动将当时的数据存到上月的记录中。用户可根据需要设定其内容。
7.08 主副时段:可设定两个时段,即两套费率,例如夏时制等。
7.09 副时段起止日期:如设置起始日期040503 停止日期041003。
7.10 时段及费率号:尖费率号为01;峰费率号为02;平费率号为 03;谷费率号为04。
7.11 公共假日:一次可以设置24天公共假日。
7.12 周休日:可以指定每周中周休日。
7.13 非营业时段:可以设置每天的非营业时段。如:18:00-08:30
7.14 应急赊欠限量:可以设置在公共假日、周休日、非营业时段时允许用户应急赊欠的限额,以上管理参数都可以通过预置卡、购电卡由管理系统传递到用户电表。
7.15 日期:应为当前准确日期。
7.16 时间:应为当前准确时间。日期、时间应定期进行现场校对。
八、安装与接线
8.1 仪表在出厂前经检验合格并加铅封。在安装使用前,应检查铅封是否完好,铅封完好即可安装使用,对无铅封或贮存期过久的仪表,应请有关部门重新检验后,合格的可安装使用。
8.2 仪表应安装在室内通风干燥的地方,用三个螺钉固定,按图1所示的安装尺寸(150×231)在底板上先钻好孔,底座应固定在坚固、耐火、不易震动的物体上,确保安装使用安全、可靠,在有污秽或可能损坏仪表的场所,仪表应用保护柜保护。
8.3 仪表应按接线图正确接线。接线端钮盒的引入线建议使用铜线或铜接头, 端钮盒内螺钉应拧紧,避免因接触不良或引线太细发热而引起烧毁。
8.4 仪表按上述正确接线通电后即进入正常运行状态
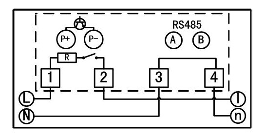
8.5 接线图
图接线图
九、运输和存贮
产品在运输和拆封时不应受到剧烈冲击,并根据GB/T5464-1995《仪器仪表包装通用技术条件》规定运输和存贮。
库存和保管应在原包装条件下存放在支架上,叠放高度不应超过5层。
保存的地方应清洁,其环境温度应为0~40℃,相对湿度不超过85%,且在空气中不含有足以引起腐蚀的有害物质。
十、保证期限
电能表自售出日起,在用户遵守说明书规定要求,且制造厂铅封仍完整的条件下,若发现电能表不符合技术条件所规定的要求时,公司给予1年包换,3年包修,终生维护.
附录1 预付费功能说明
一、正常使用
具有预付费功能的电能表,采用IC卡进行购电、管理工作。并有多种功能卡如预置卡、购电卡、查电卡、清零卡等进行设置、购电、检查、复位操作。
新表安装:(已清零和复位、功能正常的电表,以下均称新表)使用时,先使用预置卡进行预置负荷控制、主时段、副时段、抄表日、轮显项等参数。
时钟校对:必须使用抄表器进行广播对时。
开户配表:使用上位机软件“售电管理系统”开户,交纳本次购电的预收款。将生成的用户卡插入新表,即完成开户和一表一卡的配对。
用户购电:管理系统根据用户卡返回的电表的总、峰、平、谷的用电量结算用户实际应收电费。并交纳本次购电的预收款。新的负荷控制、副时段、抄表日、公共假日等参数也写入购电卡并传递到电表。
为方便实时操作,本表还可使用掌上电脑或红外遥控器进行编程参数设置,参数编程的内容为复费率相关参数,预付费部分设置参数必须由预置卡和购电卡传递设入。
二、检查功能
一张查电卡能检查一块表,使用查电卡可便于用电管理部门对任一块电表参数数据进行检查,可将电表内重要数据如电能量、购电量、剩余电量等回写至查电卡,查电卡回写的数据内容可由售电管理系统读出。
三、管理功能
3.1负荷控制设置
按照用户类型和供电季节可以制定对用户的用电负荷控制的政策,对尖、峰、平、谷进行不同的负荷管理,达到“削峰填谷”的管理目的。 运行)时,打开电表,将已开户电表内保存数据的E2PROM显示板拔出,更换至新表中,则此新表就可以代替原表使用,所有数据和故障表相同。(电表铭牌也要更换到新表)
(2)当允许负荷、剩余电量分别超过预先设定值以及电表的可用电量为零时,电表将输出报警或跳闸信号。
注意:当报警和跳闸同时选择,跳闸优先于报警。
(3)当电表剩余电量为0,而由于应急赊欠或其它原因使外部供电回路未能断开,电表将开始计算透支电量,并在下次购电卡插入时自动减去该透支电量。
五、各种功能卡说明
5.1设置卡
设置卡是在电表安装后,售电系统制作的设置卡,对本系统的电表进行基本参数设置,只有经过设置设置后的电表才可以进行开户购电。
5.2预置卡
出厂后新表可以直接进行安装。用“预置卡”预置指定的“预置电量”、多费率扩展数据后即能通电使用。并从出厂状态转入安装状态。预置电量作为电表内部的“赊欠限量”处理,在插入购电卡时能自动扣除。注:也可以由生产厂家预置。
预置卡可以通用,对相同规格的电表进行设置,可重复使用。由装表人员使用管理。
安装状态的电表等待一表一卡配对,才能接受购电开户卡。
预置卡的电量由售电管理系统写入,电量可写0至100元。
没有开户前的电表,可以多次接受预置卡,以最后一次预置数据有效。
注:预置卡也可用于对电表进行测试、走字试验,试验完毕后用清零卡清零。
5.3购电卡
用户持购电卡到售电部门购电,售电部门通过售电管理系统将用
户购电电量写入购电卡。购电卡采用一表一卡方式,各用户表的购电卡相互之间不通用,售电管理系统保存用户所存的原始记录。
若囤积限量设置为最大值9999元时,则用户一次最多购电量为9999元。而当本次购电电量与表中剩余电量之和大于囤积限量时,电表显示“009999.00”,卡内购电量不会写入表内,待剩余电量和本次购电量之和小于囤积限量时,再插购电卡,本次购电量才被读入。
当购电卡插入电表后,待电表确认用户号、密码都无误,购电量写入电表。购电卡具有对电表运行数据回写的功能,如将当前电量、剩余金额、电表状态、上3月电量等数据回写到购电卡,通过售电管理系统读出,以便于管理。
系统也可根据实际需要,在售电时传递公假日数据、主副时段、负荷控制方式等参数。此项功能可在售电管理系统软件中选择设置。
5.4查电卡
一张查电卡能检查一块表,使用查电卡可便于用电管理部门对任一块电表参数数据进行检查,可将电表内重要数据如电能量、购电金额、剩余金额等回写至查电卡,查电卡回写的数据内容可由售电管理系统读出。
在第一次查电卡显示未结束时再次插入查电卡能检测继电器能否正常跳闸。
5.5清零卡
可以对检验测试后的电表进行清零复位,(可多次使用)恢复电表状态到出厂状态重新投入使用。
清零卡的使用条件:
(1)、编程键按下,处于编程状态。
(2)、电表通电2分钟内。
5.6抄表卡
电卡用途:用于对制造过程和用户使用中的电表数据抄录。一张
抄表卡最多能抄收100块表的数据。抄表数量超过100块时,最后抄收的数据将覆盖第100块表数据。
注意:抄表卡只返回预付费部分的内部数据。
如果要抄收多费率部分的历史记录和其它数据应使用抄表器进行抄收。
5.7测试卡
电卡用途:用于制造过程和验收检验时对电表性能测试、复检和工艺老化程序中快速检查评定。
附录2 用户注意事项说明
1、 一表一卡:
用户持有的IC卡不能互换,遗失时应到供电部门(售电处)补购一张。
2、 购电准备:
购电前,用户须将IC卡插入电表一次,便于将表内数据送回计算机数据库。
3、 购电时,请申明要购的电量、报警提醒电量。
4、 电卡使用:将购电卡插入电表内,如是有效购电卡,则电表自动将数据读入表内,LCD显示屏依次显示:总购电量、剩余电量、透支电量、购电量、电表次数等购电信息。拔卡请妥善保存。
5、 运行显示:电表运行过程中,轮流显示表内总平电量、峰谷电量、剩余电量、运行时段。
6、 超容报警:电表运行过程中,如“报警”LED指示灯快速闪烁显示,则警告用户已超容用电。如该电表被设置为超容断电限容方式,则超容用电30秒后,将拉闸3分钟,并倒计时显示(180秒)恢复供电时间;用户插卡响应可立即恢复供电。
7、 囤积限量:如果购电量+剩余电量>囤积限量(例如:9999kWh),则购电量不读入,显示器显示“ NNNNNN”提示,卡内电量仍有效。
8、 预警提醒:当表内剩余电量小于“报警电量”的2倍时,“报警”LED指示灯将闪烁(间隔为1秒)显示提醒用户购电,此时如果用户插卡响应,“报警指示灯”闪烁间隔变为2秒,可以避免断电警告。
9、 断电警告:如在预警提醒时用户未插卡响应,则当剩余电量为用户约定的报警电量(或本次购电量的10%)时,电表拉闸断电警告,此时将IC卡插一次电表即恢复供电。如果拉闸后找不到本表IC卡,可借用邻居IC卡插入,以恢复供电。
10、 购电提醒:当表内剩余电量小于“报警电量”时,“报警”LED指示灯将常亮提醒。
11、 故障申报:剩余电量显示为零或负值时,“报警”LED指示,如电表仍继续运行(应急赊欠除外),用户应立即购电,并主动向供电部门反映情况。
12、在非工作时段和周休日及公共假日中,可以应急赊欠。当电量为0,而营业网点没有上班购不到电时,可以插入购电卡,启动应急赊欠。应急赊欠电量不能超过“赊欠限量”。